產品分類
全國免費服務熱線
0519-86585866
0519-86585866
- 地址:江蘇省常州市天寧區大明北路1738號12棟
- 電話:0519-86585866
- 傳真:0519-85192610
- 郵箱:sales@zxptest.com
我們用心為您服務!
We attentively service for you!
We attentively service for you!
產品展示
ZX9501SA 絕緣耐壓測試儀(帶接觸檢查)
ZX9501SA 絕緣耐壓測試儀(帶接觸檢查)
ZX9501SA Hipot Tester/Safety Tester


簡要說明
ZX9501SA系列絕緣耐壓測試儀采用800*480彩色液晶顯示屏,其輸出電壓的大小、輸出電壓的上升、測試、下降時間、輸出電壓的頻率完全由MCU控制,能實時顯示擊穿電壓的電流值和電壓值,全系列儀器都具有電弧偵測功能和測試線接觸檢查功能。
ZX9501SA系列絕緣耐壓測試儀獨特的測試線接觸檢查功能,解決了用戶”因測試線斷線造成的不良品誤判”的困擾,可廣泛應用于耐壓測試的半自動或自動化生產線上,大大提高產品測試的可靠性。
訂購信息
● ZX9501SA-4:帶4路掃描功能交直流絕緣耐壓測試儀,帶測試線接觸檢查功能。
● ZX9501SA-8:帶8路掃描功能交直流絕緣耐壓測試儀,帶測試線接觸檢查功能。
● ZX9501SA-16:帶16路掃描功能交直流絕緣耐壓測試儀,帶測試線接觸檢查功能。
性能特點
● 中英文操作界面
● 列表顯示功能,多步結果一屏顯示
● 鍵盤鎖功能,關機自動保存測試條件
● 開短路偵測功能(OSC)
● 測試線接觸檢查功能
● 不良品聲光報警功能
● 快速放電功能
● 電弧偵測功能,電流、等級兩種模式可選
● 人體防觸電保護功能(GFI)
● 任意設定電壓上升時間、測試時間、下降時間
● 支持U盤和內部文件保存
● 電流底數清零功能
● 可通過U盤更新儀器軟件
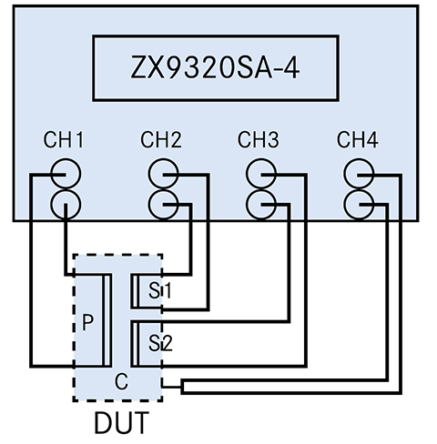
性能特點觸檢查功能的測試應用舉例
要測量一只電源變壓器(DUT)的耐壓性能,測量項目如下:
(1)初級繞組P - 次級繞組S1、次級繞組S2:AC耐壓測試
(2)初級繞組P、次級繞組S1、次級繞組S2 - 磁芯C:AC耐壓測試
(3)要有測試線接觸檢查功能,防止測試線斷線引起誤判。
接線方法如下圖所示:
在測試前,ZX9501SA系列耐壓測試儀先進行測試線的接觸檢查,如果檢測到測試線斷線或接觸不良,則儀器會報警提示”CHECK FAIL”(測試線接觸不良),并終止測試。如果接觸檢查通過,則繼續進行后面的耐壓測試。







